Uploaded image for project: 'DRP 2-D Pipeline'
  1. DRP 2-D Pipeline
  2. PIPE2D-10 Flat field the data
  3. PIPE2D-77

Make sure there are no systematics in the normalized flat

    XMLWordPrintable

    Details

    • Type: Sub-task
    • Status: Done (View Workflow)
    • Priority: Major
    • Resolution: Done
    • Affects Version/s: None
    • Fix Version/s: None
    • Component/s: None
    • Labels:
      None
    • Sprint:
      2014-17

      Description

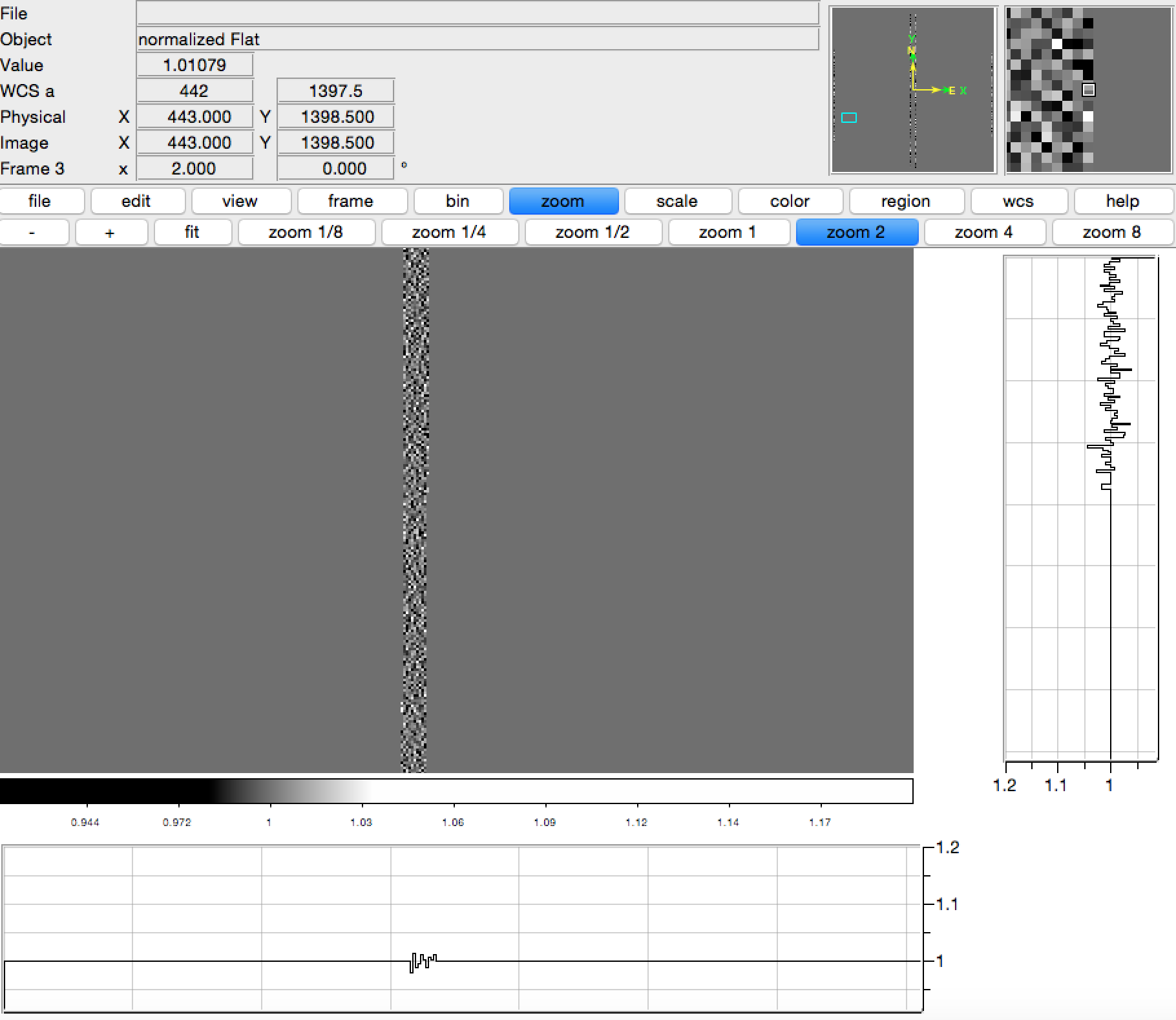
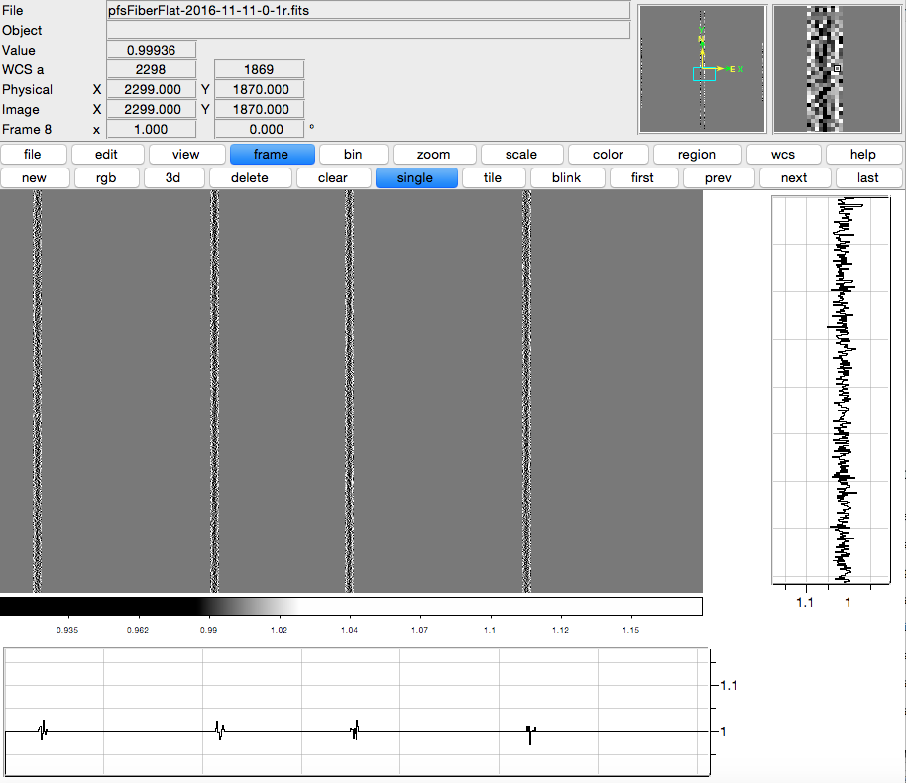
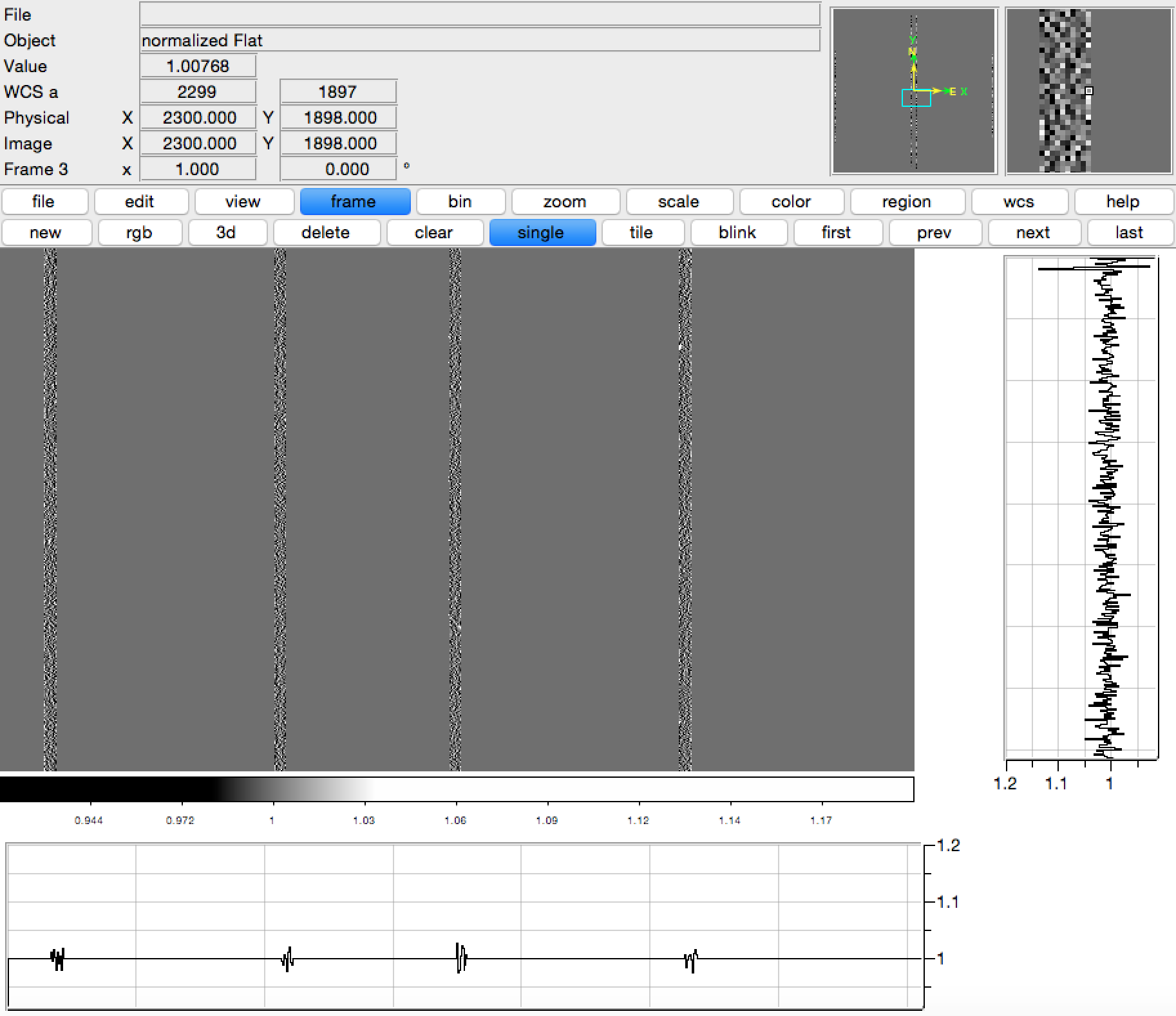
      1. Understand why the normalized flat is only five pixels wide;
      2. Understand why the variation is at ~3% rather than <1%.

        Attachments

          Issue Links

            Activity

              People

              • Assignee:
                aritter aritter
                Reporter:
                swinbank swinbank
                Reviewers:
                price
              • Votes:
                0 Vote for this issue
                Watchers:
                3 Start watching this issue

                Dates

                • Created:
                  Updated:
                  Resolved: